NPU-02A-M-176237 (Rend. sz. 176237)
Válasszon tartalmat
Safety switch NPU, cable entry M20 x 1.5
- Cable entry M20 x 1.5
- 2 pos. driven contact

Ismertetés
Switching element
NPU-02 | Slow-action switching contact 2 positively driven contacts |
Accessories required
Actuator is not included.
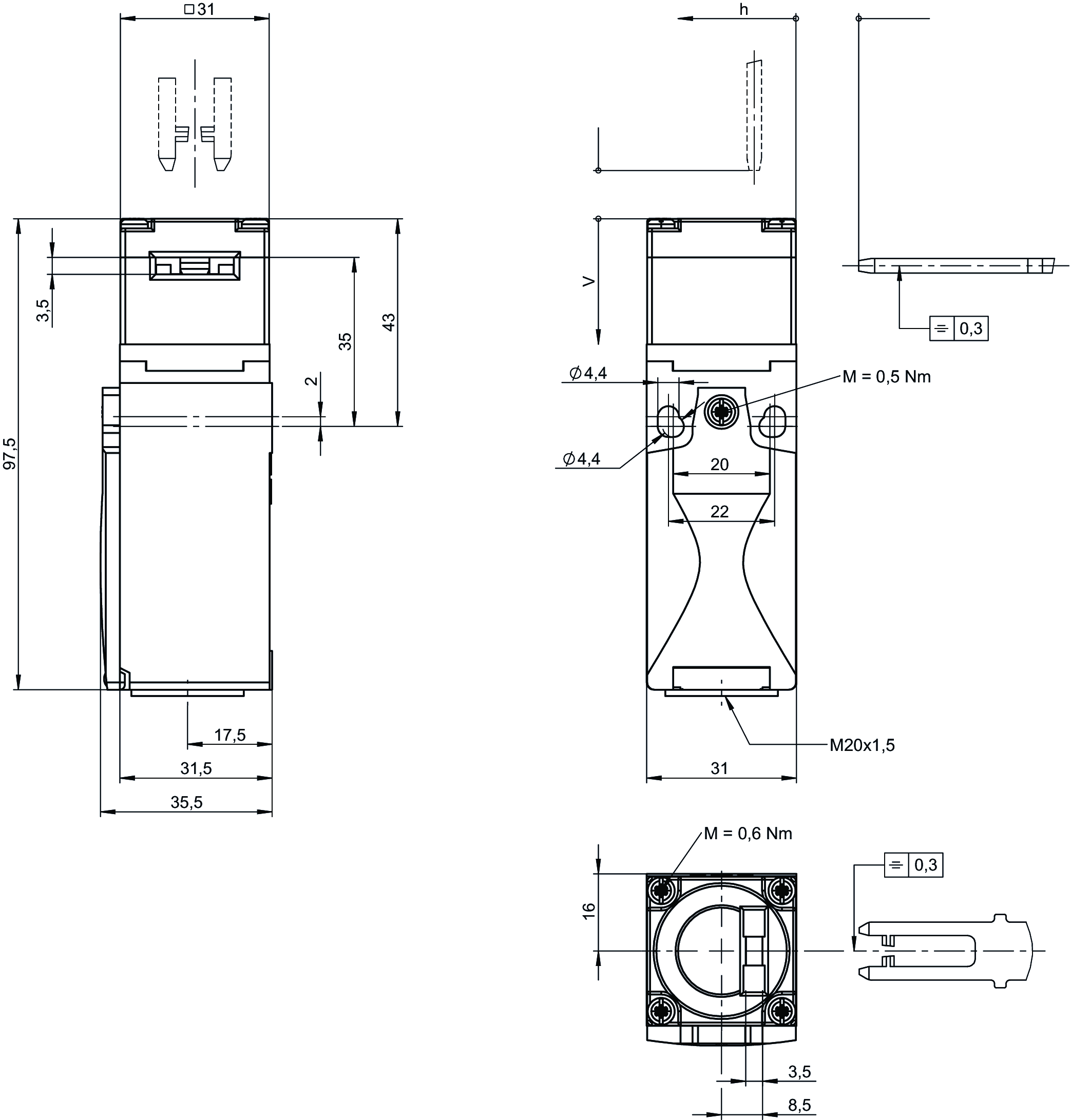
Dimensional drawings

Connection examples

Műszaki adatok
Electrical connection values
| Fuse | max. 4 A gG |
| Connection cross section | 0.34 ... 1.0 mm² |
| Rated insulation voltage Ui | 30 V |
| Rated impulse voltage Uimp | 2.5 kV |
| Utilization category | |
| DC-13 | 4 A 24 V |
| AC-15 | 4 A 24 V |
| Switching voltage | |
| min. at 10 mA | 12 V |
| Switching current | |
| min. at 24 V | 1 mA |
| thermal rated current Ith | 4 A |
Mechanical values and environment
| Anfahrgeschwindigkeit | max. 20 m/min |
| Approach direction | A |
| Connection type | |
| 1 x | M20 x 1.5 |
| Number of door position positively driven contacts | 2 |
| Extraction force | 10 N |
| Actuation frequency | max. 7000 1/h |
| Actuating force | 5 N |
| Installation orientation | any |
| Horizontal insertion depth | 28 mm |
| Vertical insertion depth | 29.5 mm |
| Storage temperature | -25 ... 80 °C |
| Mechanical life | 1 x 10⁶ |
| Retention force | 2 N |
| Switching principle | Slow-action switching contact |
| Degree of protection | IP67 |
| Ambient temperature | -20 ... 80 °C |
| Material | |
| Housing | Reinforced thermoplastic |
| Contact | Silver alloy, gold flashed |
Characteristic values according to EN ISO 13849-1 and EN IEC 62061
| B10D | Mission time | |
|---|---|---|
| Monitoring of the guard position | 1x106 | 20 y |
| Important! Values valid at DC-13 100 mA/24V | ||
In combination with actuator ACTUATOR-P-GNT
| Horizontal overtravel | 7 mm |
In combination with actuator ACTUATOR-P-GT
| Horizontal overtravel | 2 mm |
| Vertical overtravel | 1.5 mm |
Tartozékok
Actuator
Letöltések
Teljes csomag
Minden fontos dokumentum letöltése egyetlen kattintással.
Tartalom:
- A használati utasítás és a használati utasítás vagy a rövid utasítás kiegészítései
- A használati utasítást kiegészítő adatlapok
- A megfelelőségi nyilatkozat
Teljes csomag letöltése (ZIP, 2,4 MB)
Egyedi dokumentumok
Declarations of conformity
EU-Konformitätserklärung
Dok. sz.
Változat
Nyelv
Méret
EU-Konformitätserklärung
Dok. sz.
EDC2539628
Változat
Nyelv
Méret
0,2 MB
UKCA-Konformitätserklärung
Dok. sz.
Változat
Nyelv
Méret
UKCA-Konformitätserklärung
Dok. sz.
EDC20001551
Változat
Nyelv
Méret
0,1 MB
Egyéb dokumentumok
Approvals and certificates
WEEE
Dok. sz.
Változat
Nyelv
Méret
WEEE
Dok. sz.
ECO20001806
Változat
Nyelv
Méret
0,1 MB
Sales documents
Safety Switches with Plastic Housing
Dok. sz.
Változat
Nyelv
Méret
Safety Switches with Plastic Housing
Dok. sz.
096956
Változat
11-03/18
Nyelv
Méret
6,5 MB
Interrupteurs de sécurité avec boîtier plastique
Dok. sz.
100677
Változat
11-03/18
Nyelv
Méret
6,6 MB
Interruptores de seguridad con carcasa plástica
Dok. sz.
104855
Változat
11-03/18
Nyelv
Méret
6,6 MB
Sicherheitsschalter mit Kunststoffgehäuse
Dok. sz.
096955
Változat
11-03/18
Nyelv
Méret
6,6 MB
塑料壳体 的安全开关
Dok. sz.
116243
Változat
11-03/18
Nyelv
Méret
6,1 MB
Bezpečnostní spínače s plastovým pouzdrem
Dok. sz.
121649
Változat
11-03/18
Nyelv
Méret
6,5 MB
Rendelési adatok
| Rend. sz. | 176237 |
| Cikk neve | NPU-02A-M-176237 |
| Súly | 0,kg |
| Vámtarifaszám | 85365019000 |
| ECLASS | 27-27-26-02 Safety switch with separate actuator (Type 2) |

















